網友:能否談談貴司今年基于磁吸效應推出的吸附式磨粒傳感器的研發背景、技術突破及其應用價值?
一、磨粒傳感器
國內外研究現狀
在國外,油液在線監測技術已廣泛應用到風機齒輪箱、軍事裝備等重大裝備上,且已經開發出不同類型的磨粒檢測傳感器。
智火柴:舉例來說,美國一家技術公司生產的定量鐵磁顆粒傳感器,集磁鐵、感應線圈及自檢功能的次級線圈于一體,其工作原理為磁鐵構建磁場環境,每當捕獲到一個鐵磁性微粒,感應線圈即準確輸出一個信號,超過90%的鐵磁性微粒均難逃其“法眼”。

盡管國內已有學者及研究機構涉足磨粒傳感器領域,探索利用電荷效應原理開發磨粒傳感器,但受限于制造工藝的精細要求及信號調制解調技術的門檻,信號處理的難題尚未得到根本解決,且部分鐵磁傳感器的研究仍停留于實驗室的初步階段,缺乏全方面系統的實驗評估以驗證其精度。
而國外研究雖已取得顯著進展,但其出名的磁塞檢測技術主要對大顆粒敏 感,難以有 效捕捉油液中細微的碎屑磨粒。
智火柴:反觀國內,鐵磁傳感器的研究仍深陷于檢測機制探索與技術積累的初級階段,尚未孵化出具備廣泛市場應用潛力的成熟產品。基于此背景,智火柴團隊另辟蹊徑,運用前沿的微磁感應技術,研發出了IFM-4吸附式磨粒傳感器,以期填補市場空白,提升油液分析的精細度與效率。

二、IFM-4吸附式磨粒傳感器
原理及磨損參數的解讀
一款專為磨損設備而設計的IFM-4吸附式磨粒傳感器,采用特 有的微磁感應技術,對油品中鐵磁磨損顆粒的細微變化展現出強勁的靈敏度,同時搭建全新電路設計與模型算法,使傳感器通過檢測頭部永磁體上累積的鐵磁顆粒,實現油品內大磨粒、小磨粒、磨損指數、油溫信息的實時在線追蹤,為油液狀況及設備磨損狀態提供健康評估。

圖示傳感器結構(見左圖)由四大關鍵組件構成:永磁體、PCB線圈、抵消線圈及線圈鐵芯。永磁體作為磁源,賦予傳感器強大的磁吸附能力,使油液中的鐵磁顆粒能夠牢固地附著在PCB線圈表面。
IFM-4吸附式磨粒傳感器結構 | 左圖
PCB 線圈與鐵磁顆粒之間的等效電路 | 右圖


如右圖所示:R1和L1為PCB 線圈的電阻和電感,U為 PCB 線圈兩端電壓,R2和L2為鐵磁顆粒的等效電阻和等效電感,I1為 PCB 線圈的電流,I2為鐵磁顆粒的等效電流,M 為PCB 線圈與鐵磁顆粒之間互感。
隨著油液在系統中的持續循環,鐵磁顆粒逐漸被吸附并累積在PCB線圈之上。當這些顆粒的累積量達到預設的閾值,或經過了一個特定的時間間隔后,傳感器自動觸發清潔機制。通過向抵消線圈施加準確的電壓,生成一個與永磁體磁場方向相反的磁場,這一反向磁場有 效地削弱了永磁體的磁力,進而促使PCB線圈上累積的鐵磁顆粒得以釋放清零,我們稱之為“自動清洗功能”。

該功能得益于傳感器在設計階段融入了永磁體磁場補償機制,能夠促使顆粒從傳感器頭部脫離,實現自動清潔功能,有 效延長了維護周期。通過監測兩次自動清洗操作之間的時間間隔,可以評估設備磨損趨勢,為預防維護策略的制定提供關鍵數據支持。

▲ 傳感器檢測原理圖
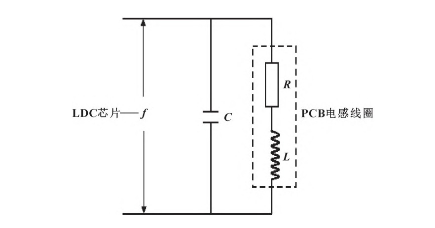
當鐵磁顆粒通過 PCB線圈時會被吸附到 PCB 線圈上并使其電感值發生變化。PCB 線圈連接在 LC 振蕩電路上,通過LDC芯片控制,電路會將電感量的變化轉換為頻率的變化,zui終可通過頻率信號的監測與分析,反映出油液中鐵磁顆粒的含量變化以達到檢測的目的。

無論是微米級范圍內的細微顆粒,還是毫米級范圍內的鐵磁碎片(碎塊),皆難逃傳感器敏銳“法眼”。基于0~100%的輸出信號范圍,可以直觀反映傳感器探 頭表面被鐵磁顆粒或磁性碎片覆蓋的比例,為數據解讀提供直接依據。
三、復雜工況下的吸附式傳感器
技術突破與應用
如果你要問傳感器還有何創新性突破?那便是在設計時充分考慮了在線監測過程中油液的粘滯性,傳感器可以更準確地捕捉和識別油液中的金屬磨粒,減少因油液流動特性導致的監測誤差。
網友:為了減少檢測誤差值,將“油液粘滯性”納入傳感器設計的考量之一,起到了哪些關鍵作用?這對傳感器在惡劣工況下的應用有何意義?
在傳感器設計之初,團隊考慮到油液粘滯性對磨粒運動軌跡、沉積速度及分布形態的復雜影響。如上圖所示:隨著粘度增加,磨粒的分布形態變得更加分散,沉積速度變慢。

▲ 不同粘度下磨粒的分布情況
并據此對IFM-4傳感器的監測算法與結構進行了全方面優化,從而實現對油液中金屬磨粒的高精度捕捉和識別。不僅提升了傳感器在靜態和動態條件下監測準確性,確保能夠捕獲并穩定輸出油液粘度在不同溫度和壓力波動條件下的實時變化數據,使監測數據更加可靠、真實。

▲ IFM-4吸附式磨粒傳感器智能算法模型三維圖
因此IFM-4傳感器被賦予了優越的環境適應性和前瞻性的預測性維護能力。在面對煤礦開采、港口起重、隧 道挖掘等大型機械設備非常惡劣工況,油液不可避免地會遭受多種污染與雜質的侵襲,導致其粘滯性經歷復雜多變的波動,而吸附式傳感器也能夠游刃有余地應對這些嚴峻挑戰。

目前來說,產品在起重減速機、采煤機搖臂等設備都有成熟的落地方案。

此外,針對煤礦行業對安全生產的高標準嚴要求,智火柴研發團隊結合了IFM-4吸附式磨粒傳感器的技術原理,開發了一款符合煤礦安全生產條例的GYM12系列礦用本安型油液金屬磨屑傳感器,采用了先進的本質安全電路設計,且產品已經取得煤安認證,為高安全要求行業提供了可靠的解決方案。

適用油品:液壓油、齒輪油、空壓機油、燃氣機油、水乙二醇抗燃液壓油以及液壓支架乳化油等。
通過監測油液中的金屬磨屑含量,連續記錄與評估設備的磨損狀態,對于早期設備故障、磨損預警起到可靠的預防性運維作用。
智火柴IFM-4吸附式磨粒傳感器,憑借先進的磁吸效應、自動清潔技術與智能監測算法,突破了復雜工況下的油液監測瓶頸,顯著降低誤報率,提升了磨粒檢測的精度與效率。而GYM12系列礦用本安型傳感器的問世,更進一步確保了高危環境中設備作業的安全。
如果您需要:吸附式磨粒傳感器,請聯系我們。智火柴,國內知名油液監測系統提供商!
咨詢電話:0755-8999 8086 / 138 2521 4309(微信同號)
Copyright ? 2015-2024 智火柴科技(深圳)有限公司 版權所有
備案號:粵ICP備18096323號